EmbDev.net

Forum: FPGA, VHDL & Verilog 32x6RAM error code


von mike m. (mikulski)


Attached files:

Rate this post
useful
not useful
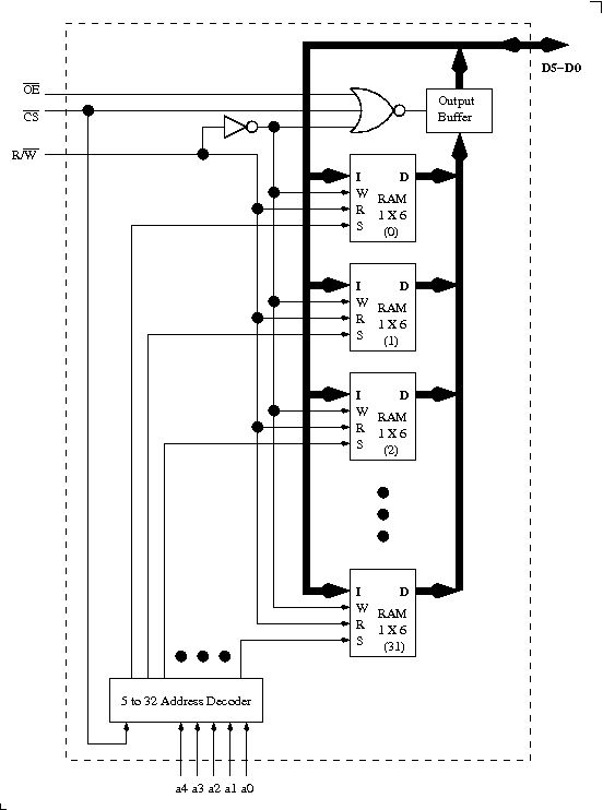
Hey guys I am trying to implement a 32x6RAM in VHDL and I swear 
everything looks fine when after going through my source code but I 
can't seem to figure out why I get a dangling signal/multiple source 
error when I try to create S=>AD(0) to S=>AD(31)...Can anyone help me 
point out what I may be forgetting in my code please?

Code:
library IEEE;
use IEEE.STD_LOGIC_1164.ALL;
use IEEE.STD_LOGIC_ARITH.ALL;
use IEEE.STD_LOGIC_UNSIGNED.ALL;

--Uncomment the following library declaration if instantiating
--any Xilinx primitives in this code.
--library UNISIM;
--use UNISIM.VComponents.all;

entity mm32by6RAM is
    Port ( OE   : in    STD_LOGIC;
           CS   : in    STD_LOGIC;
           RW   : in    STD_LOGIC;
           A    : in    STD_LOGIC_VECTOR (4 downto 0);
           D    : out   STD_LOGIC_VECTOR (5 downto 0));
end mm32by6RAM;

architecture Behavioral of mm32by6RAM is

COMPONENT mm5to32Decoder
    Port ( A    : in    STD_LOGIC_VECTOR (4 downto 0);
           OEB : in     STD_LOGIC;
           Z    : out   STD_LOGIC_VECTOR (31 downto 0));
end COMPONENT;


COMPONENT mm1by6RAM
    Port ( I : in   STD_LOGIC_VECTOR (5 downto 0);
           W : in   STD_LOGIC;
           R : in   STD_LOGIC;
           S : in   STD_LOGIC;
              D : out   STD_LOGIC_VECTOR (5 downto 0));
end COMPONENT;


COMPONENT mmOutputBuffer
    Port ( B    : in    STD_LOGIC_VECTOR(5 downto 0);
           OE   : in    STD_LOGIC;
           D    : out   STD_LOGIC_VECTOR (5 downto 0));
end COMPONENT;


COMPONENT mm3NOR
    Port ( A : in   STD_LOGIC;
           B : in   STD_LOGIC;
           C : in   STD_LOGIC;
           Z : out      STD_LOGIC);
end COMPONENT;


COMPONENT mmINVERT
    Port ( a : in       STD_LOGIC;
           z : out      STD_LOGIC);
end COMPONENT;


SIGNAL RWnot        :   STD_LOGIC;
SIGNAL N                :   STD_LOGIC;
SIGNAL OB           :   STD_LOGIC_VECTOR (5 downto 0);
SIGNAL AD           :   STD_LOGIC_VECTOR (31 downto 0);
SIGNAL Ram          :   STD_LOGIC_VECTOR (5 downto 0);

begin

gate1       :   mmINVERT            PORT MAP    (a=>RW,     z=>RWnot);
gate2       :   mm3NOR          PORT MAP    (A=>OE,     B=>CS, 
C=>RWnot,   Z=>N);
gate3       :   mmOutputBuffer  PORT MAP    (B=>Ram, OE=>N, 
D=>OB);
gate4       :   mm5to32Decoder  PORT MAP    (A=>A,  OEB=>CS, 
Z=>AD);

gate5       :   mm1by6RAM       PORT MAP    (I=>OB,     W=>RWnot, 
R=>RW,  S=>AD(0),   D=>Ram);
gate6       :   mm1by6RAM       PORT MAP    (I=>OB, W=>RWnot,   R=>RW, 
S=>AD(1),   D=>Ram);
--gate7     :   mm1by6RAM       PORT MAP    (I=>OB, W=>RWnot,   R=>RW, 
S=>AD(2),   D=>Ram);
--gate8     :   mm1by6RAM       PORT MAP    (I=>OB, W=>RWnot,   R=>RW, 
S=>AD(3),   D=>Ram);
--gate9     :   mm1by6RAM       PORT MAP    (I=>OB, W=>RWnot,   R=>RW, 
S=>AD(4),   D=>Ram);
--gate10    :   mm1by6RAM       PORT MAP    (I=>OB, W=>RWnot,   R=>RW, 
S=>AD(5),   D=>Ram);
--gate11    :   mm1by6RAM       PORT MAP    (I=>OB, W=>RWnot,   R=>RW, 
S=>AD(6),   D=>Ram);
--gate12    :   mm1by6RAM       PORT MAP    (I=>OB, W=>RWnot,   R=>RW, 
S=>AD(7),   D=>Ram);
--gate13    :   mm1by6RAM       PORT MAP    (I=>OB, W=>RWnot,   R=>RW, 
S=>AD(8),   D=>Ram);
--gate14    :   mm1by6RAM       PORT MAP    (I=>OB, W=>RWnot,   R=>RW, 
S=>AD(9),   D=>Ram);
--gate15    :   mm1by6RAM       PORT MAP    (I=>OB, W=>RWnot,   R=>RW, 
S=>AD(10),  D=>Ram);
--gate16    :   mm1by6RAM       PORT MAP    (I=>OB, W=>RWnot,   R=>RW, 
S=>AD(11),  D=>Ram);
--gate17    :   mm1by6RAM       PORT MAP    (I=>OB, W=>RWnot,   R=>RW, 
S=>AD(12),  D=>Ram);
--gate18    :   mm1by6RAM       PORT MAP    (I=>OB, W=>RWnot,   R=>RW, 
S=>AD(13),  D=>Ram);
--gate19    :   mm1by6RAM       PORT MAP    (I=>OB, W=>RWnot,   R=>RW, 
S=>AD(14),  D=>Ram);
--gate20    :   mm1by6RAM       PORT MAP    (I=>OB, W=>RWnot,   R=>RW, 
S=>AD(15),  D=>Ram);
--gate21    :   mm1by6RAM       PORT MAP    (I=>OB, W=>RWnot,   R=>RW, 
S=>AD(16),  D=>Ram);
--gate22    :   mm1by6RAM       PORT MAP    (I=>OB, W=>RWnot,   R=>RW, 
S=>AD(17),  D=>Ram);
--gate23    :   mm1by6RAM       PORT MAP    (I=>OB, W=>RWnot,   R=>RW, 
S=>AD(18),  D=>Ram);
--gate24    :   mm1by6RAM       PORT MAP    (I=>OB, W=>RWnot,   R=>RW, 
S=>AD(19),  D=>Ram);
--gate25    :   mm1by6RAM       PORT MAP    (I=>OB, W=>RWnot,   R=>RW, 
S=>AD(20),  D=>Ram);
--gate26    :   mm1by6RAM       PORT MAP    (I=>OB, W=>RWnot,   R=>RW, 
S=>AD(21),  D=>Ram);
--gate27    :   mm1by6RAM       PORT MAP    (I=>OB, W=>RWnot,   R=>RW, 
S=>AD(22),  D=>Ram);
--gate28    :   mm1by6RAM       PORT MAP    (I=>OB, W=>RWnot,   R=>RW, 
S=>AD(23),  D=>Ram);
--gate29    :   mm1by6RAM       PORT MAP    (I=>OB, W=>RWnot,   R=>RW, 
S=>AD(24),  D=>Ram);
--gate30    :   mm1by6RAM       PORT MAP    (I=>OB, W=>RWnot,   R=>RW, 
S=>AD(25),  D=>Ram);
--gate31    :   mm1by6RAM       PORT MAP    (I=>OB, W=>RWnot,   R=>RW, 
S=>AD(26),  D=>Ram);
--gate32    :   mm1by6RAM       PORT MAP    (I=>OB, W=>RWnot,   R=>RW, 
S=>AD(27),  D=>Ram);
--gate33    :   mm1by6RAM       PORT MAP    (I=>OB, W=>RWnot,   R=>RW, 
S=>AD(28),  D=>Ram);
--gate34    :   mm1by6RAM       PORT MAP    (I=>OB, W=>RWnot,   R=>RW, 
S=>AD(29),  D=>Ram);
--gate35    :   mm1by6RAM       PORT MAP    (I=>OB, W=>RWnot,   R=>RW, 
S=>AD(30),  D=>Ram);
--gate36    :   mm1by6RAM       PORT MAP    (I=>OB, W=>RWnot,   R=>RW, 
S=>AD(31),  D=>Ram);



end Behavioral;


thanks guys!

von PittyJ (Guest)


Rate this post
useful
not useful
I get errors, because the entities mmInvert ....
are not defined.

Error: Node instance "gate1" instantiates undefined entity "mmINVERT"


Is this your complete source?

von mike m. (mikulski)


Rate this post
useful
not useful
oh no this is actually just the 32x6 component. Here is the link for the 
entire project.

https://www.dropbox.com/s/gnjg67i5za7gopf/pj4.zip

von Lothar M. (Company: Titel) (lkmiller) (Moderator)


Rate this post
useful
not useful
mike mr wrote:
> everything looks fine when after going through my source code but I
> can't seem to figure out why I get a dangling signal/multiple source
> error when I try to create S=>AD(0) to S=>AD(31)...Can anyone help me
> point out what I may be forgetting in my code please?
Look for   Z=>AD
and for    S=>AD(0) ... S=>AD(31)
Thats a classical multi source with two drivers on one signal.

> Hey guys I am trying to implement a 32x6RAM in VHDL
Why doing it the hard and stony way with thousands of manually 
instantiated and handwired parts? Why not just using a RAM in 
traditional style?
1
library IEEE;
2
use IEEE.STD_LOGIC_1164.ALL;
3
use IEEE.numeric_std.all;  -- get rid of that old STD_LOGIC_ARITH libs!
4
5
entity mm32by6RAM is
6
    Port ( OE, CS, RnW : in  STD_LOGIC;
7
           A    : in    STD_LOGIC_VECTOR (4 downto 0);
8
           D    : out   STD_LOGIC_VECTOR (5 downto 0));
9
end mm32by6RAM;
10
11
architecture Behavioral of mm32by6RAM is
12
   type RAM32x6_t is array (0 to 31) of std_logic_vector (5 downto 0); 
13
   signal RAM32x6 : RAM32x6_t := (others=>(others=>'0'));
14
begin
15
   D <= RAM32x6(to_integer(unsigned(A)) when CS='0' and OE='0' and RnW='1' else "ZZZZZZ";
16
   RAM32x6(to_integer(unsigned(A)) <= D when CS='0' and RnW='0';
17
end Behavioral;
BTW: the OE Signal is not necessary for this kind of async RAM. Its just 
a kind of additional CS signal here. Tell that your teacher.
Let him/her answer this question: what has the CS signal to do inside 
the Adress decoder? Why not adding the OE to the adress decoder also?

von mike m. (mikulski)


Rate this post
useful
not useful
Haha I appreciate your insight. The class is a senior level logic design 
course which honestly isn't all that hard. However, the projects is 
where the class becomes extremely time consuming as you can see...doing 
a behavioral set-up like you just showed is a much easier way to 
approach this, but we are strictly doing structural VHDL. I'm assuming 
this is because he wants students to understand how all the parts play 
together and such. The current format is how it must be done and the 
project is due tomorrow at midnight. I feel if I can just fix this 
multi-source issue I will be in the clear to create the final component 
(64x6RAM).

I don't see how this multi-sourcing issue works. I figure the 5to32 
decoder will disable 31 1x6RAMs while enabling one 1x6RAM. So having the 
AD signal the way I wrote it makes sense but I am obviously a novice at 
this.

If you understand my thinking on how this code works would you be able 
to tell me what I should do to avoid/fix this multi-sourcing issue? I 
have done c++/C/C#, and java but VHDL is not my cup of tea even though 
it is not hard. I am new to VHDL and I can't see how to get around this 
problem. The professor is helpful but wont give me the info that I need 
to solve this problem.

Thanks in advance!

von Lothar M. (Company: Titel) (lkmiller) (Moderator)


Rate this post
useful
not useful
> I don't see how this multi-sourcing issue works.
Lets see wahts inside the missing modules (pls attach each one as 
*.vhdl file)

von mike m. (mikulski)



Rate this post
useful
not useful
Attached are the VHDL files and here is the link for the entire project 
folder:

https://www.dropbox.com/s/gnjg67i5za7gopf/pj4.zip

I have run test benches on each component so im sure the components 
should be fine.

von Lothar M. (Company: Titel) (lkmiller) (Moderator)


Rate this post
useful
not useful
>  but we are strictly doing structural VHDL.
Yes, indeed. Very impressive and almost senseless... :-o

Why don't you instantiate a AND Gate and wire it manually there:
1
   Z <= not (A or B or C);
2
3
   Z <= A and B and C and D and E and F after 222 ps;
Are you allowed to use a behavioral statement like and or nor inside 
a structural description? I cannot believe that its the intention of a 
lecture to code a certain component in the most ugly way...

BTW: at least one error is found:
1
gate9   :  mmInvBuf  PORT MAP  (a=>DL(0), E=>A(1), Q=>IV(0));
2
gate10  :  mmInvBuf  PORT MAP  (a=>DL(1), E=>A(1), Q=>IV(0));
3
gate11  :  mmInvBuf  PORT MAP  (a=>DL(2), E=>A(1), Q=>IV(0));
4
gate12  :  mmInvBuf  PORT MAP  (a=>DL(3), E=>A(1), Q=>IV(0));
5
gate13  :  mmInvBuf  PORT MAP  (a=>DL(4), E=>A(1), Q=>IV(0));
6
gate14  :  mmInvBuf  PORT MAP  (a=>DL(5), E=>A(1), Q=>IV(0));
Lots of mmInvBuf driving an bunch of IV(0) ...

BTW2:
1
use IEEE.STD_LOGIC_ARITH.ALL;
2
use IEEE.STD_LOGIC_UNSIGNED.ALL;
Why do you add the arith libs, wen you don't do any calculations?

BTW3:
1
     .... after 222 ps;
Its usually not a good design practice to use symbolic delays in a 
behavioral or structural description.

von mike m. (mikulski)


Rate this post
useful
not useful
I am not allowed to use any behavioral statements as they are to only be 
used in the basic gates like AND, OR, NOR, etc.

Thanks for spotting the error in my 1x6RAM. I must have been rushing and 
over looked that.

When I create a vhdl module the IEEE libraries are automatically 
inserted so I just leave them there.

My professor makes us use delays from a gate delay table he has given 
us.

Would would I need to do to fix this multi source issue with only 
altering the gates and signals? I cannot add any other components 
unfortunately. Would I use inout for D in the 32x6RAM?

Could you show me what you would do please?

von Lothar M. (Company: Titel) (lkmiller) (Moderator)


Rate this post
useful
not useful
> Would I use inout for D in the 32x6RAM?
D   : out    STD_LOGIC_VECTOR (5 downto 0));
D must be inout, because the picture shows data going in and also out.

> Could you show me what you would do please?
I'm sorry, I already did...
I don't want to drill deep into a dozen of files instead of using less 
than 20 lines to get the very same result.

> When I create a vhdl module the IEEE libraries are automatically
> inserted
You can change that behavior:
http://www.lothar-miller.de/s9y/archives/27-Xilinx-New-Source.html
It in German, try the google translator...  ;-)

von mike m. (mikulski)


Attached files:

Rate this post
useful
not useful
Ok so I finally got everything to work HOWEVER I was wondering if you 
could help me out debug these warnings. I have to do multiple test 
benches on this program so I want to make sure everything is working 
properly.

Ok so I get combinatorial loops in the mm32x6RAM module (gates 5-36), 
Inout D(0)-D(5) is never assigned. tied to value Z in the 64x6RAM 
module, and some weird error I have never seen before.

I have attached images of the errors and the vhdl files that correspond 
to the errors

von Lothar M. (Company: Titel) (lkmiller) (Moderator)


Rate this post
useful
not useful
There you have three very elementary problems:
First unused signals. That may be a result of a problem elsewhere, 
having as a consequence that the now mentioned signals are unused.

Then a combinational loop. That may be a result of switching the 
direction is not working properly.

And last the unassigned D. Thats the most astonishing thing. Something 
with the disabling of the ports ist not working properly. That may cause 
the first problem.

So, now what oyu MUST do is a simulation of your design! It makes 
absolutely no sense to try to synthesize such a scattered design and try 
to track down each one of the hundreds of signals inside...

I changed my design to 64 words RAM:
1
library IEEE;
2
use IEEE.STD_LOGIC_1164.ALL;
3
use IEEE.numeric_std.all;  -- get rid of that old STD_LOGIC_ARITH libs!
4
5
entity RAM is
6
    Port ( CSn, OEn, RnW : in  STD_LOGIC;
7
           D : inout  STD_LOGIC_VECTOR (5 downto 0);
8
           A : in  STD_LOGIC_VECTOR (5 downto 0));
9
end RAM;
10
11
architecture Behavioral of RAM is
12
   type RAM64x6_t is array (0 to 63) of std_logic_vector (5 downto 0); 
13
   signal RAM64x6 : RAM64x6_t := (others=>(others=>'0'));
14
begin
15
   D <= RAM64x6(to_integer(unsigned(A))) when CSn='0' and OEn='0' and RnW='1' else "ZZZZZZ";
16
   RAM64x6(to_integer(unsigned(A))) <= D when CSn='0' and RnW='0';
17
end Behavioral;


And i wrote a short testbench to have a look whether its working or not:
1
LIBRARY ieee;
2
USE ieee.std_logic_1164.ALL;
3
USE ieee.numeric_std.ALL;
4
 
5
ENTITY RAM64x6_tb IS
6
END RAM64x6_tb;
7
 
8
ARCHITECTURE behavior OF RAM64x6_tb IS 
9
 
10
    -- Component Declaration for the Unit Under Test (UUT)
11
 
12
    COMPONENT RAM
13
    PORT(
14
         CSn : IN  std_logic;
15
         OEn : IN  std_logic;
16
         RnW : IN  std_logic;
17
         D : INOUT  std_logic_vector(5 downto 0);
18
         A : IN  std_logic_vector(5 downto 0)
19
        );
20
    END COMPONENT;
21
    
22
23
   --Inputs
24
   signal CSn : std_logic := '0';
25
   signal OEn : std_logic := '0';
26
   signal RnW : std_logic := '0';
27
   signal A : std_logic_vector(5 downto 0) := (others => '0');
28
29
  --BiDirs
30
   signal D : std_logic_vector(5 downto 0);
31
32
33
   procedure readram (signal CSn, OEn, RnW : out std_logic; 
34
                      signal D,A : out std_logic_vector(5 downto 0); 
35
                      Addr: NATURAL) is
36
   begin
37
     D   <= (others=>'Z');
38
     A   <= std_logic_vector(to_unsigned(Addr,6));
39
     wait for 5 ns;
40
     CSn <= '0';
41
     OEn <= '0';
42
     RnW <= '1';
43
     wait for 10 ns;
44
     CSn <= '1';
45
     OEn <= '1';
46
     wait for 5 ns;
47
   end readram;
48
   
49
   procedure writeram (signal CSn, OEn, RnW : out std_logic; 
50
                       signal D,A : out std_logic_vector(5 downto 0); 
51
                       Data: natural; 
52
                       Addr: NATURAL) is
53
   begin
54
     D   <= std_logic_vector(to_unsigned(Data,6));
55
     A   <= std_logic_vector(to_unsigned(Addr,6));
56
     wait for 5 ns;
57
     CSn <= '0';
58
     OEn <= '1';
59
     RnW <= '0';
60
     wait for 10 ns;
61
     CSn <= '1';
62
     RnW <= '1';
63
     wait for 5 ns;
64
   end writeram;
65
66
BEGIN
67
 
68
  -- Instantiate the Unit Under Test (UUT)
69
   uut: RAM PORT MAP (
70
          CSn => CSn,
71
          OEn => OEn,
72
          RnW => RnW,
73
          D => D,
74
          A => A
75
        );
76
77
   -- Stimulus process
78
   stim_proc: process
79
   begin    
80
      for i in 0 to 63 loop
81
        writeram (CSn,OEn,RnW,D,A,i,i);
82
      end loop;
83
      
84
      readram (CSn,OEn,RnW,D,A,0);
85
      readram (CSn,OEn,RnW,D,A,1);
86
      readram (CSn,OEn,RnW,D,A,11);
87
      readram (CSn,OEn,RnW,D,A,22);
88
      readram (CSn,OEn,RnW,D,A,63);
89
      wait;
90
   end process;
91
92
END;
And: my design works as expected.

You can adapt this testbench to your needs simply by changing some 
names. And then you can check whats different between your design and 
mine, and why yours is not working...

Please log in before posting. Registration is free and takes only a minute.
Existing account
Do you have a Google/GoogleMail account? No registration required!
Log in with Google account
No account? Register here.